-
儿童玩具安全测试A/B模板
详细信息品牌:品检仪器 型号:QC-001 加工定制:是 外形尺寸:73*73 mm 重量:0.2 ㎏ 产品用途:儿童玩具配件尺寸安全性测试 测量范围:满足国标、国际标准、欧美标准测 重量:0.2 ㎏ 产品用途:儿童玩具配件尺寸安全性测试 设备名称: 儿童玩具安全测试A/B模板
型号:QC-001

1、因为仪器配置不一,网站标价不作为购买参考价格,以协商购买价格为准,谢谢理解。
2、购买之前请联系厂家,协商确定设备技术参数、交货方式、交货时间、付款方式、是/否开具税票,有现货的可以直接合同订购发货或者送货,无现货的根据协商确定的日期安排发货 或者送货。
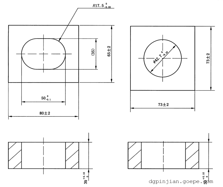
儿童玩具安全测试A/B模板奶嘴或饮用部件测试模板通过要求将图6所示的测试模板一个用夹具固定好,使槽的轴线基本垂直并使槽的上下开口处畅通无阻。调整被测试的试样,使其以*有可能进人并穿过测试模板内槽的方位将试样放人槽内,使作用在试 样上的力仅是它本身的重力。观察试样任何部分是否穿过测试模板的孔的全部深度。1:全部主体材料采用铝材加工,表面阳极处理,光洁亮丽。
本公司的质量方针:严格管理、不断创新、持续改善、用户满意。
本公司的质量承诺:快速反应、立即行动。
产品承诺:
1、设备1年内免费保修、交货即日起7个工作日内验收产品合格,一个月内设备同一个故障出现三次解决不了 的,可与退货或者换货。终身提供维修服务,质保期内的产品部件发生故障,我方无条件免费更换部件。
2、产品售出1年内,专用仪器产品售出1年内,任何非人为损坏故障,我方负责免费维修。
服务承诺:
1、针对客户售后咨询,我方在工作时间,2小时内给予解答。
2、针对客户产品客诉,我方确认后,进行客诉登记。我方技术人员将进行原因分析,1天至3天内给予回复。
3、若需要现场技术支持,我方售后人员将在24-72小时内到达客户现场,需要寄回本公司维修的设备,保修 期内运费我司出。
4、售后人员服务完毕,向客户提交售后服务报告,由客户签字确认。客户需求得到解决,我方售后人员方
可撤离现场。



1、凡购买本公司儿童玩具安全测试A/B模板,可保证CNAS实验室认可验证通过。
2、第三方计量报告获得:
2.1、(另外收费)可根据前期协商由供应商找第三方计量机构计量。
2.2、客户可在设备到达厂里之后,通过自己找第三方计量机构上门计量。
3、凡是第三方计量机构计量不通过的,可退货或者换货,本公司出第二次计量费。
4、测试治具按标准精密加工而成。
儿童产品配件测试模板A、测试模板B、GB38995测试模板A测试模板B
-
品检仪器产品搜索
联系方式
- 联系人:李经理
- 电 话:0769-82109595
- 手 机:18929195913
- 传 真:0769-82107393
- 邮 箱:dgqc_qc@163.com
- 地 址:东莞市塘厦镇林村西园街82号101-102
- 网 址: https://dgpinjian.cn.goepe.com/
http://www.qc-qc.cn
电子样本






